安全风险管控

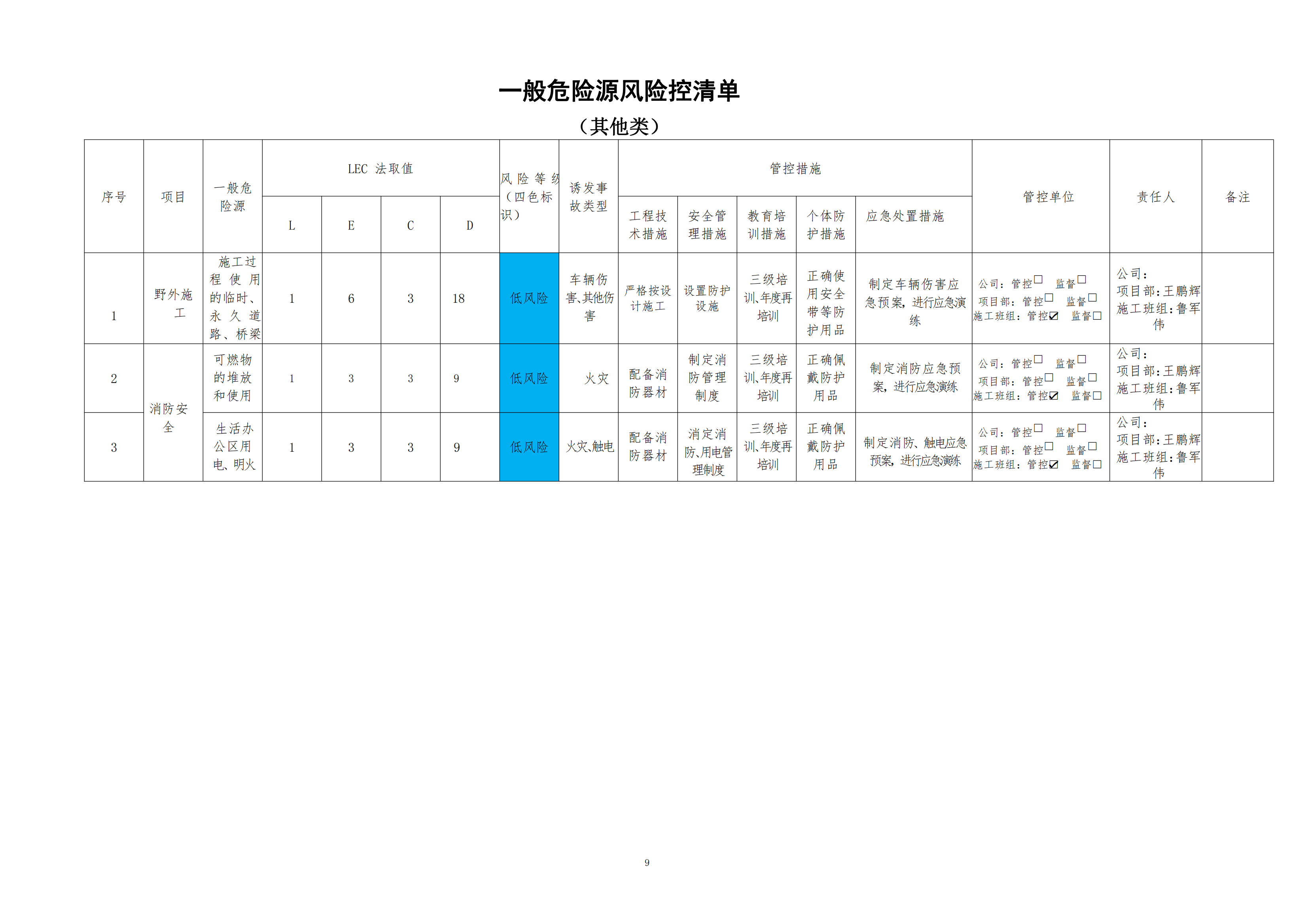
栾川县新建水库一期工程施工一标段危险源风险分级管控清单(9月)
发布时间:2023-10-30   浏览:2621次


免责声明:本站部分图片和文字来源于网络收集整理,仅供学习交流,版权归原作者所有,并不代表我站观点。本站将不承担任何法律责任,如果有侵犯到您的权利,请及时联系我们删除。

Related dynamics

相关推荐